Variants
Steel, hot-dip galvanised
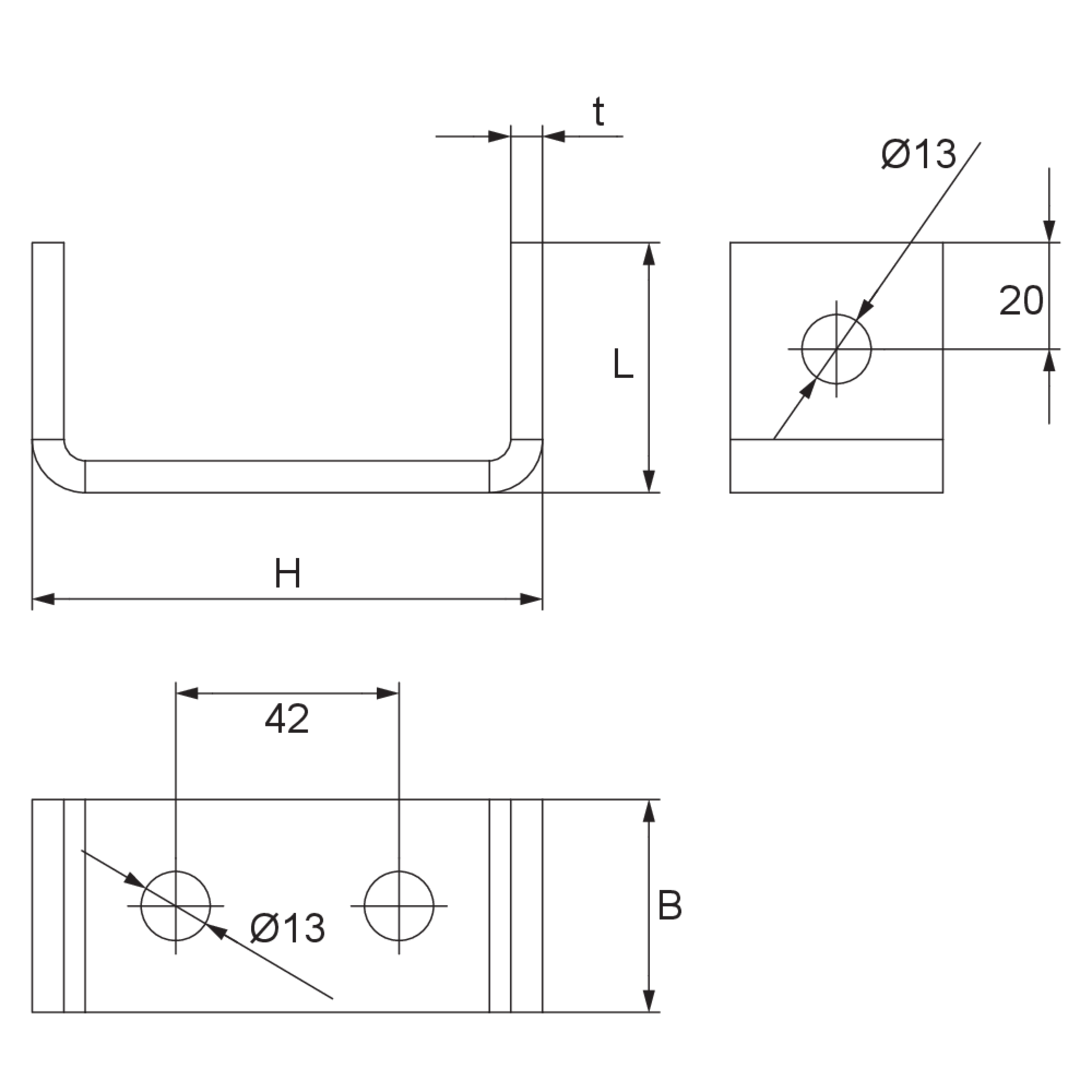
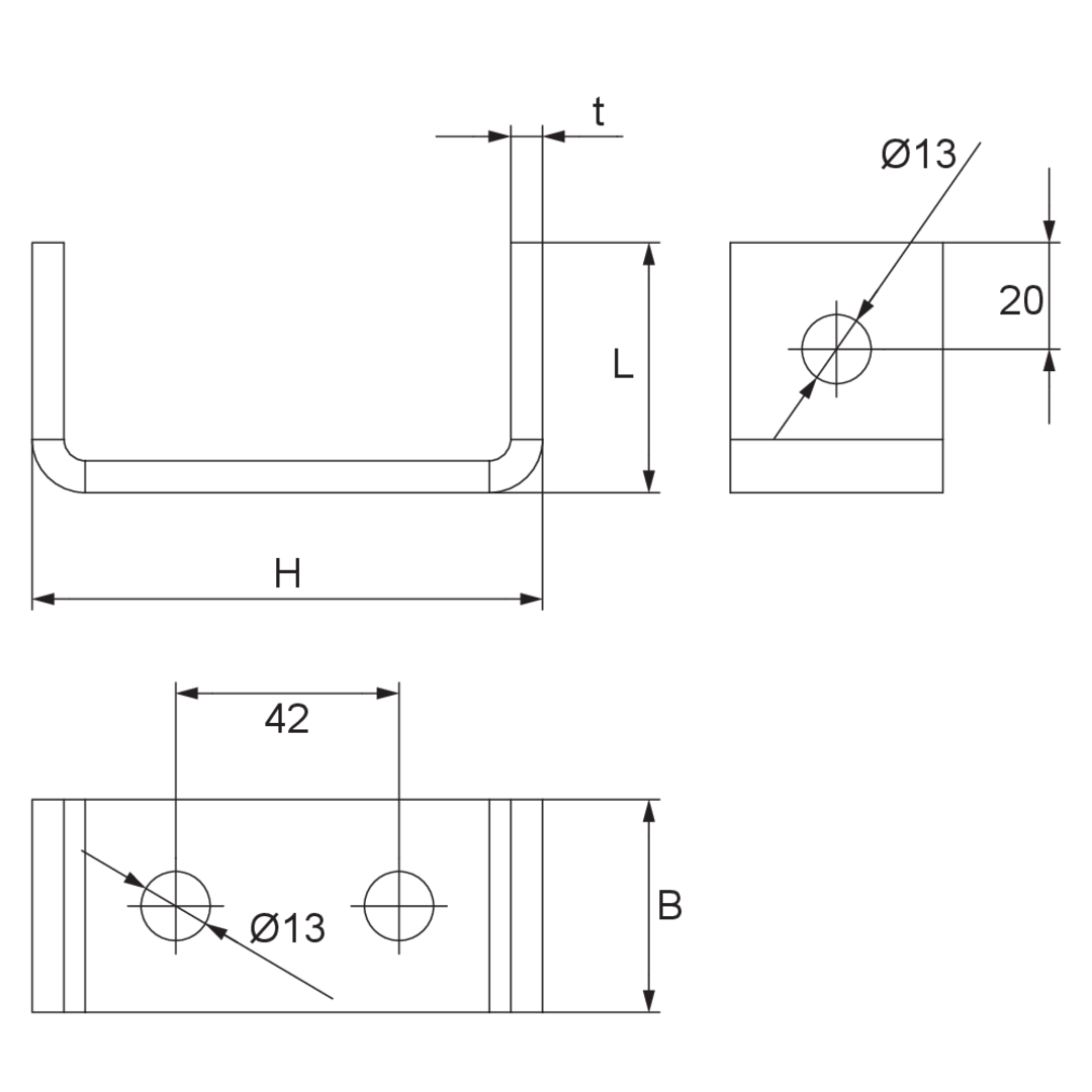
H
height
B
width
L
length
t
material thickness
G
Weight per storage unit
- AKL 41F
Rail clamp AKL 41Fheight96 mmwidth40 mmlength47 mmmaterial thickness6.00 mmWeight per storage unit0.314 kg
Rail clamp





The channel clamp AKL 41 is attached to the channel and is used, among other things, for suspension using a threaded rod. It is made of hot-dip galvanised steel.
H
height
B
width
L
length
t
material thickness
G
Weight per storage unit

de
en
Technical information

de
en
Assembly instructions for KWLL, KSLW, KWF, KWW, KW, KWMS; KWS, KWSS, KIS, KISS, GBAG, GBAR, MA, KDU, BGU, KSLW, KDAG 41, BGA 41, TBS

de
en
Compact overview for KHA 21, KHA 41, KHA 82, KLUGW, SKL A, BGUD, BLD, BGA 41, BGA 41/2, KA 30, KA 41, KDAG 41, AVSK, AVSKH, AVSKGB, AVSKA, AVRS, AVLW, SAI 41, SA 2, BGF 41, BGF 82, KLUGS, KHAD 22, AVLK, AKL 41, AVL, AVLW 45, GK-A, AVLWBF, AVBLA, AVA, AVB, AMK 22, AVE, AVBL, AVAW, AVLWB, AVT, BL 5
Anzahl:

Whether apartment blocks, office complexes or industrial plants: as your reliable partner for numerous applications and construction phases, we support you in every project with expert advice and support services. This allows you to concentrate fully on your core business.